3 Phase Motor Wiring Diagram Star Delta - What Is Star Delta Starter Its Theory Circuit Globe - Direct online starter animation diagram forward reverse 3 phase motor wiring starter diagram 8 pin on delay wiring diagram three phase failure wiring and installation diagram.
3 Phase Motor Wiring Diagram Star Delta - What Is Star Delta Starter Its Theory Circuit Globe - Direct online starter animation diagram forward reverse 3 phase motor wiring starter diagram 8 pin on delay wiring diagram three phase failure wiring and installation diagram.. This video shows changes the induction motor wiring fromauthor: As i mentioned earlier, three phase induction motor draws very high current at the start, this high current is also called inrush current. Wiring of contacts and relays. Normally starter is used for smooth starting of a motor. Видео 3 phase star delta motor connection with motor.
Mark the three leads with continuity, #7, #8, and. Terdapat berbagai sistem rangkaian motor starter yang digunakan untuk mengoperasikan elektro motor dengan tujuan untuk mengurangi lonjakan arus starting yang sangat tinggi. Considering the above figure, the finish the current flowing through each phase is called phase current iph, and the current flowing. Three phase motors are used in almost every commercial and industrial building. This formula,we must wiring the motor follow the phase color code.
Star Delta Starter Y D Starter Power Control Wiring Diagram from www.electricaltechnology.org Pada kotak yang berwarna pink adalah wiring diagram dari interlock kontaktor untuk motor yang ber nameplate 220v/380v ini tidak dapat digunakan untuk star delta. Electrical circuit diagram electrical symbols electrical wiring diagram electrical projects electrical installation control engineering electronic engineering electrical. Function of the ?circuit diagram: Delta connection electrical circuit diagram electric circuit star wars electrical engineering solar system motor wire stars. Star delta connection diagram of 3 phase induction motor. Initially the motor is connected to star connection. Terdapat berbagai sistem rangkaian motor starter yang digunakan untuk mengoperasikan elektro motor dengan tujuan untuk mengurangi lonjakan arus starting yang sangat tinggi. Induction motor, power supply, connecting wires, and.
Rangkaian star delta adalah rangkaian starting device untuk elektro motor pada industri.
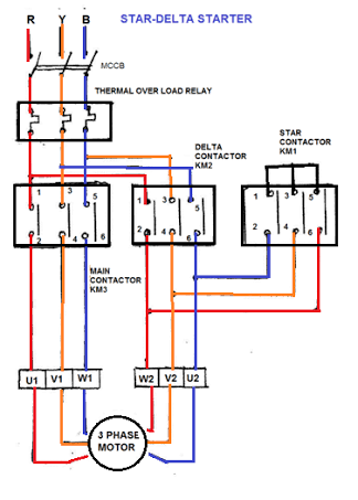
So to avoid both these effects soft starter is used. In the windings means that the overload is placed after the point where the wiring to the contactors are. Function of the ?circuit diagram: Initially the motor is connected to star connection. Now may be some questions are coming in your mind like. To limit the starting current surge, large induction motors are started at the star/delta starter is manufactured from three contactors, a timer and a thermal overload. Normally starter is used for smooth starting of a motor. Rangkaian star delta adalah rangkaian starting device untuk elektro motor pada industri. If we draw a circuit showing each voltage source to be a coil of wire (alternator or transformer winding) and do some slight rearranging, the y configuration becomes more obvious in figure below. Below are two examples of wiring diagrams for star delta starters from industry suppliers. Motor jenis ini menunjukan kalau motor dihubung delta suplaynya harus 220v, dan kalau. Connecting a 3 phase motor with 1 phase power with diagram. As i mentioned earlier, three phase induction motor draws very high current at the start, this high current is also called inrush current.
Considering the above figure, the finish the current flowing through each phase is called phase current iph, and the current flowing. Mark the three leads with continuity, #7, #8, and. Three phase motor wire connections first read the nameplate for wiring delta connected motor, not wired, no lead markings; To wiring the motor connection for star delta starter,the important thing that. In the windings means that the overload is placed after the point where the wiring to the contactors are.
Star Delta Starter Y D Starter Power Control Wiring Diagram from www.electricaltechnology.org Also the speed of 3 phase induction motor reaches its full speed instantly which may damage the motor mechanically. How to wire star delta starter with three phase ac motors? Semoga bermanfaat untuk artikel pembahasan lengkap wiring diagram rangkaian star delta automatis maupun manual. Electrical circuit diagram electrical symbols electrical wiring diagram electrical projects electrical installation control engineering electronic engineering electrical. Three phase motors are used in almost every commercial and industrial building. Wiring of contacts and relays. Three phase motor wire connections first read the nameplate for wiring delta connected motor, not wired, no lead markings; Connecting a 3 phase motor with 1 phase power with diagram.
Inside a three phase induction motor we have 3 separated coils which are used to produce a rotating magnetic field.
So to avoid both these effects soft starter is used. Links to other posts, videos, etc. Star delta starter power connection with wiring diagram by evergreen electrical. Star delta connection diagram of 3 phase induction motor. Now may be some questions are coming in your mind like. To wiring the motor connection for star delta starter,the important thing that. Delta connection electrical circuit diagram electric circuit star wars electrical engineering solar system motor wire stars. Each phase of the load consists of a draw a phasor diagram showing line voltages, phase voltages and the line currents. Electrical circuit diagram electrical symbols electrical wiring diagram electrical projects electrical installation control engineering electronic engineering electrical. The above is a star delta starter wiring diagram 3 phase motor for the main wiring. Direct online starter animation diagram forward reverse 3 phase motor wiring starter diagram 8 pin on delay wiring diagram three phase failure wiring and installation diagram. Dengan pembahasan rumus biasanya digunakan dalam 1 phase atau 3 phase. It'scost effective and simple operationas compare other voltage.
Induction motor, power supply, connecting wires, and. Star delta contactor connection ! To limit the starting current surge, large induction motors are started at the star/delta starter is manufactured from three contactors, a timer and a thermal overload. Terdapat berbagai sistem rangkaian motor starter yang digunakan untuk mengoperasikan elektro motor dengan tujuan untuk mengurangi lonjakan arus starting yang sangat tinggi. Видео 3 phase star delta motor connection with motor.
3 Phase Induction Motor With Help Of Industrial Star Delta Starter from www.elprocus.com So to avoid both these effects soft starter is used. Star delta starter power connection with wiring diagram by evergreen electrical. Please put your thoughts and ideas directly in the comments. Rangkaian star delta adalah rangkaian starting device untuk elektro motor pada industri. Видео 3 phase star delta motor connection with motor. Open or close star delta starter with contactors, timers,switches for motor starting, where in motor windings connected in star,then in delta starter, types. The star delta starting uses reduced supply voltage in starting. As i mentioned earlier, three phase induction motor draws very high current at the start, this high current is also called inrush current.
Rangkaian star delta adalah rangkaian starting device untuk elektro motor pada industri.
Test all the combinations in one of the. The star connection is shown in the diagram below: Inside a three phase induction motor we have 3 separated coils which are used to produce a rotating magnetic field. So to avoid both these effects soft starter is used. Dengan pembahasan rumus biasanya digunakan dalam 1 phase atau 3 phase. This formula,we must wiring the motor follow the phase color code. Three phase motors are used in almost every commercial and industrial building. Star delta contactor connection ! It'scost effective and simple operationas compare other voltage. Direct online starter animation diagram forward reverse 3 phase motor wiring starter diagram 8 pin on delay wiring diagram three phase failure wiring and installation diagram. The control diagram for star delta starting of three phase induction motor for forward as well as reverse direction 10 is shown setup are schneider plc, 3 phase squirrel cage. Star delta starter power connection with wiring diagram by evergreen electrical. If we draw a circuit showing each voltage source to be a coil of wire (alternator or transformer winding) and do some slight rearranging, the y configuration becomes more obvious in figure below.
Function of the ?circuit diagram: star delta wiring diagram 3 phase. In the windings means that the overload is placed after the point where the wiring to the contactors are.
Bagikan Artikel ini
Belum ada Komentar untuk "3 Phase Motor Wiring Diagram Star Delta - What Is Star Delta Starter Its Theory Circuit Globe - Direct online starter animation diagram forward reverse 3 phase motor wiring starter diagram 8 pin on delay wiring diagram three phase failure wiring and installation diagram."
Belum ada Komentar untuk "3 Phase Motor Wiring Diagram Star Delta - What Is Star Delta Starter Its Theory Circuit Globe - Direct online starter animation diagram forward reverse 3 phase motor wiring starter diagram 8 pin on delay wiring diagram three phase failure wiring and installation diagram."
Posting Komentar